Wilden PS4 (1-1/2") Saniflo Hygienic AODD Pump
Wilden PS4 (1-1/2") Saniflo Hygienic AODD Pump - Stainless Steel / Traditional Diaphragm (Sanitary EPDM) / Stationary Stand is backordered and will ship as soon as it is back in stock.
Couldn't load pickup availability
Description
Description
The PS4 Saniflo Hygienic pump is a stainless steel AODD pump that is 3A and FDA certified for use in a variety of sanitary industries including dairy, meat, food, beverage, and personal care products. The Saniflo hygienic AODD pump is designed to prioritize sanitation, without compromising the durability and versatility that AODD pumps are known for. This pump is ATEX certified, FDA compliant, and certain configurations are 3A certified and CIP compatible. For CIP applications and 3A certification, the optional swivel stand is required as it allows the pump to be easily tilted, ensuring that it fully drains. The integral piston diaphragm (IPD) is 3A certified, while the other diaphragms are FDA compliant. The Saniflo hygienic pump also features a free-draining flow path; the fluid pathways are redesigned to remove trap points. This feature is ideal for abrasive products and fluids as it prevents product compression and preserves the integrity of the product. The PS4 Saniflo AODD features Wilden's innovative air intake design, the Pro-Flo SHIFT, which reduces air usage by up to 60% without meaningfully affecting flow rate. The PS4 Hygienic AODD is the ultimate sanitary pump. It preserves the integrity of the product, uses minimal air, and is certified for use in a range of sanitary applications including in potentially explosive environments.
For applications requiring 3A certification please select an integral piston diaphragm (IPD), a swivel stand, and a Wil-Gard leak detector.
The Wilden pump lines are highly customizable. We have selected several standard popular models, however there are a variety of diaphragms, materials, and valves available. If you require a specific configuration or help tailoring the PS4 to your application, please contact our sales team. Please refer to product specifications for our standard configurations.
PS4 Saniflo Diaphragms
All diaphragms are FDA compliant, the IPD diaphragm is also 3A certified. Other diaphragms are available upon request.
Traditional Diaphragm
Wilden's traditional "pie shaped" diaphragm is the industry standard for AODD pumps, it is durable and reliable. The traditional diaphragm comes standard in EPDM and Sani-Flex, but is also available in Wil-Flex, Polyurethane, Buna-N, Neoprene, and FKM upon special request.
Full-Stroke IPD
The Integral Piston Diaphragm (IPD) is a popular choice in the food, beverage, and chemical industries. This diaphragm does not have an outer piston, the piston is fully integrated into the diaphragm. It is ideal for applications involving abrasive product and harsh environments. The IPD meets higher sanitary standards as the integrated piston removes the cavity between the outer piston and diaphragm found in a traditional design. This also makes it easier to clean. Reduced stroke IPD is available upon request for applications with highly viscous products. The IPD diaphragm is available in Wil-Flex and Saniflex.
EZ-Install Diaphragm
The Ez-Install diaphragm is designed for applications where regular maintenance is required. The EZ-install diaphragm does not need to be inverted, making it easy to install as it can be accessed without specialty tools. Easier maintenance means less downtime, and lower maintenance costs. This diaphragm is a direct replacement for traditional diaphragms, with the same performance, durability, and footprint. The PS4 EZ-Install diaphragm comes standard in Wil-Flex but is also available in Saniflex, Polyurethane, and Bunalast.
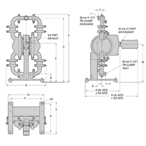
PS4 Hygienic Saniflo Technical Specifications
- Wetted Parts and outer piston material: 316L stainless steel
- Liquid Inlet: 1-1/2" (25 mm)
- Liquid Discharge: 1-1/2" (25 mm)
- Connection Type: Tri-Clamp
- Air Inlet: 3/4" FNPT
- Valve:
- Standard: Ball Valve
- Special Order: Mushroom valve
- Max Diameter Solids:
- Ball Valve: 1/2" (13 mm)
- Mushroom Valve: 1/4" (6.4 mm)
- Max Pressure: 125 psi (8.6 bar)
| Diaphragm | Max Suction Lift Capability | Max Flow Rate | Displacement per Stroke | Temperature Range |
|
Traditional Diaphragm EPDM |
Dry: 17.3' (5.3 m) Wet: 29.5' (9 m) |
94 gpm (357 lpm) |
0.27 gal (1 L) |
-51 °C to 138 °C -60 °F to 280 °F |
|
Full-Stroke Integral Piston Diaphragm Saniflex |
Dry: 15.9' (4.8m) Wet: 29.5' (9 m) |
92 gpm (348 lpm) |
0.26 gal (1 L) |
-29°C to 104 °C -20 °F to 220 °F |
|
Full-Stroke Integral Piston Diaphragm Wil-Flex |
Dry: 15.9' (4.8m) Wet: 29.5' (9 m)
|
92 gpm (348 lpm) |
0.26 gal (1 L) |
-50°C to 130°C -58°F to 266°F |
|
EZ-Install Diaphragm Wil-Flex |
Dry: 15.5' (4.7 m) Wet: 29.5' (9 m)
|
92 gpm (348 lpm) |
0.26 gal (1 L) |
-50°C to 130°C -58°F to 266°F |
|
EZ-Install Diaphragm Saniflex |
Dry: 15.5' (4.7 m) Wet: 29.5' (9 m)
|
92 gpm (348 lpm) |
0.26 gal (1 L) |
-29°C to 104 °C -20 °F to 220 °F
|
|
Integral Piston PTFE |
Dry: 10.8' (3.3 m) Wet: 29.5' (9 m) |
78 gpm (295 lpm) |
0.13 gal (0.5 L) |
4°C to 104°C 40°F to 220°F |
|
Full-Stroke PTFE |
Dry: 17.6' (5.4 m) Wet: 29.5' (9 m) |
94 gpm (357 lpm) |
0.25 gal (0.9 L) |
4°C to 104°C 40°F to 220°F
|
Manuals
Manuals
No manual available for download.


