Description
Description
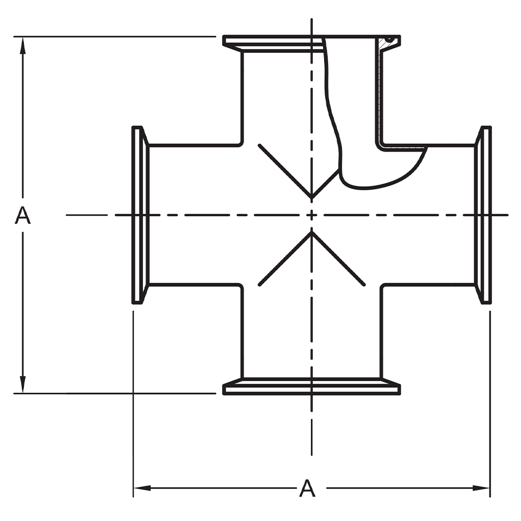
The 9MP Tri-Clamp Cross is a sanitary fitting used for the intersection of two processing lines. It comes in 316L stainless steel and in a variety of sizes. The tube has an outside diameter (O.D.) of ½" up to 6".
It is 3A certified for use in food and beverage processing industries.
| Tube O.D. | A |
| 1/2" | 4.50 |
| 3/4" | 4.75 |
| 1" | 4.75 |
| 1-1/2" | 5.50 |
| 2" | 7.00 |
| 2-1/2" | 7.00 |
| 3" | 7.50 |
| 4" | 9.00 |
| 6" | 12.75 |
Manuals
Manuals
No manual available for download.

