Description
Description
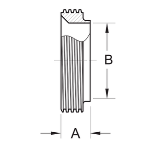
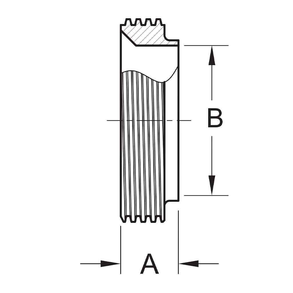
The 15TRF Short Threaded Bevel Seat Ferrule is a sanitary fitting welded onto process equipment and piping to create secure, durable connections, without comprising the rigidity or strength of the system. This ferrule gets mated with a Plain Bevel Seat Ferrule by using a Union Hex Nut to complete a Bevel Seat Union.
The Bevel Seat Short Threaded ferrules are constructed of 304 or 316L Stainless Steel, and are available in sizes ranging between 1" and 4".
Short Threaded Bevel Seat Ferrule Technical Specifications
- Size Range: 1” through 4”
- Materials: 304 & 316L Stainless Steel
- Surface Finish: 32Ra ID/OD
- Wall Thickness:
- 1” through 3” fittings: 0.065”
- 4” Fittings: 0.083”
- Certification: 3A 63-04 #3756 (Sanitary Fittings)
Short Threaded Bevel Seat Ferrule Measurements
| Tube O.D. | A | B |
| 1" |
.72 |
0.87 |
| 1-1/2" |
.72 |
1.37 |
| 2" |
.75 |
1.87 |
| 2-1/2" |
.87 |
2.37 |
| 3" |
.91 |
2.87 |
| 4" | 1.03 |
3.83 |
Manuals
Manuals
No manual available for download.

