Description
Description
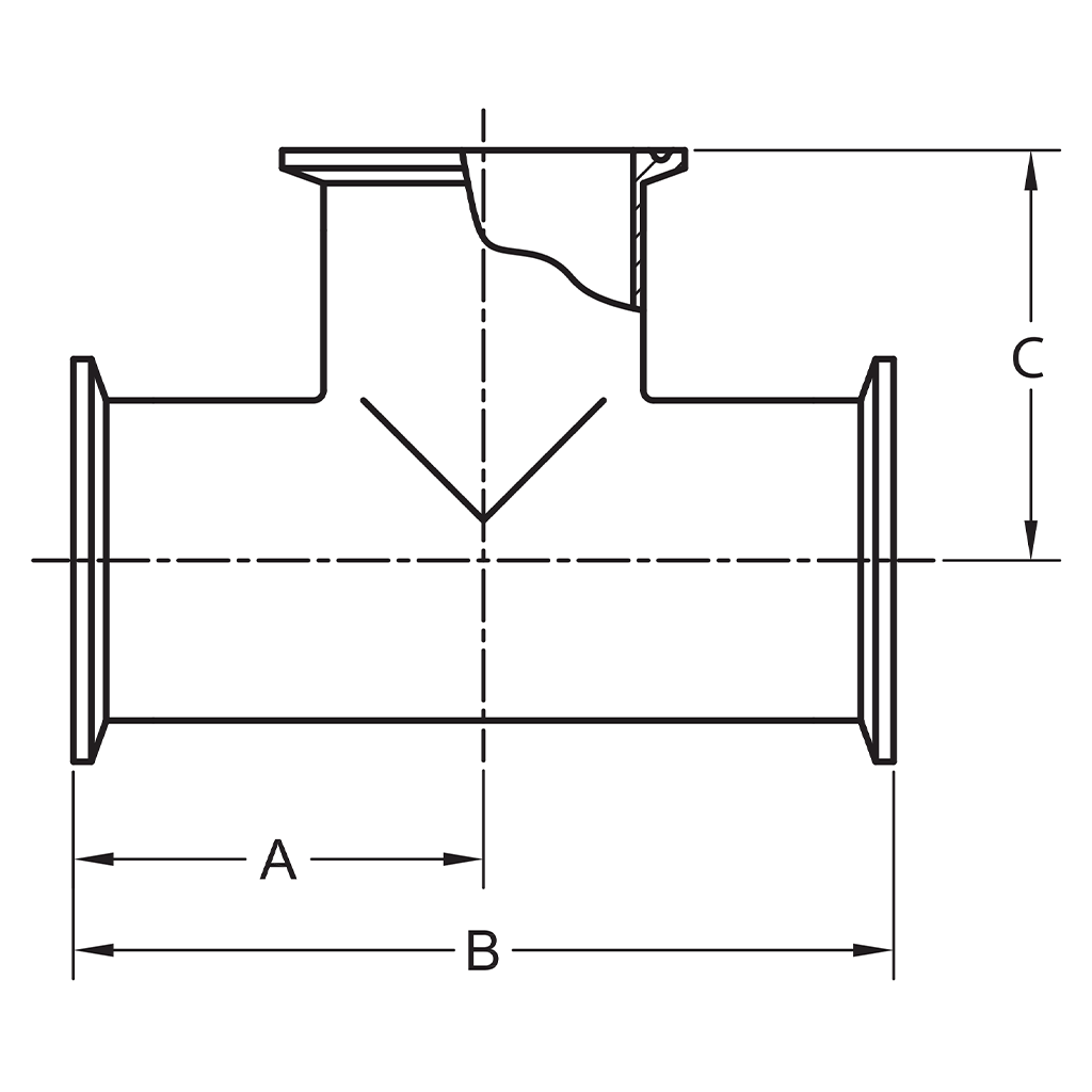
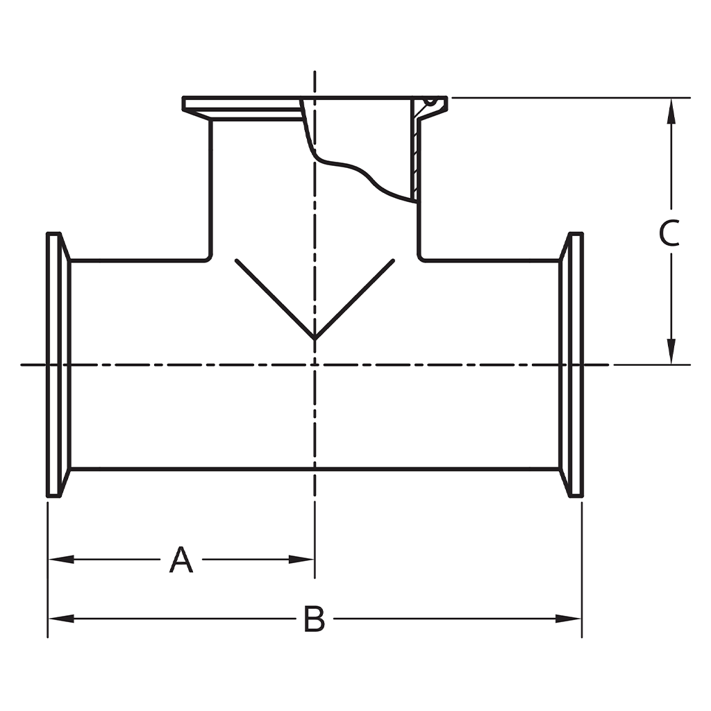
The 7MP Tri-Clamp Tee is a sanitary fitting with Tri-Clamp ferrules. It comes in two materials, 304 and 316L stainless steel, and a variety of sizes. The tube has an outside diameter (O.D.) of ½" up to 12".
It is 3A certified for use in food and beverage processing industries.
| Tube O.D. | A | B | C |
| 1/2" | 2.37 | 4.75 | 2.37 |
| 3/4" | 2.50 | 5.00 | 2.50 |
| 1" | 2.37 | 4.75 | 2.37 |
| 1-1/2" | 2.75 | 5.50 | 2.75 |
| 2" | 3.50 | 7.00 | 3.50 |
| 2-1/2" | 3.50 | 7.00 | 3.50 |
| 3" | 3.75 | 7.50 | 3.75 |
| 4" | 4.50 | 9.00 | 4.50 |
| 6" | 6.50 | 13.00 | 6.50 |
| 8" | 7.88 | 15.75 | 7.88 |
| 10" | 9.38 | 18.75 | 9.38 |
| 12" | 10.88 | 21.75 | 10.88 |
Manuals
Manuals
No manual available for download.

