Description
Description
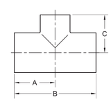
The 7RWWW Butt-Weld Short Reducing Tee is a 3A certified sanitary fitting designed to be welded into permanent piping systems to connect tubing of different sizes. This tee has a shortened branch that is ideal for applications with limited space. The 7RWWW is constructed of 304 or 316L stainless steel and is polished to 32Ra ID/OD.
This fitting is available in other sizes upon special request, please contact our sales team with any inquiries.
| Tube O.D. | A | B | C |
| 3/4" X 1/2" | 2.00 | 4.00 | 2.00 |
| 1" X 1/2" | 2.12 | 4.25 | 2.12 |
| 1" X 3/4" | 2.12 | 4.25 | 2.12 |
| 1-1/2" X 1/2" | 2.37 | 4.75 | 2.37 |
| 1-1/2" X 3/4" | 2.37 | 4.75 | 2.37 |
| 1-1/2" X 1" | 1.66 | 3.31 | 1.37 |
| 2" X 1/2" | 2.87 | 5.75 | 2.63 |
| 2" X 3/4" | 2.87 | 5.75 | 2.63 |
| 2" X 1" | 2.06 | 4.12 | 1.62 |
| 2" X 1-1/2" | 2.06 | 4.12 | 1.90 |
| 2-1/2" X 1" | 2.34 | 4.69 | 1.87 |
| 2-1/2" X 1-1/2" | 2.34 | 4.69 | 2.16 |
| 2-1/2" X 2" | 2.34 | 4.69 | 2.31 |
| 3" X 1/2" | 2.59 | 5.19 | 3.13 |
| 3" X 3/4" | 2.59 | 5.19 | 3.13 |
| 3" X 1" | 2.59 | 5.19 | 2.12 |
| 3" X 1-1/2" | 2.59 | 5.19 | 2.41 |
| 3" X 2" | 2.59 | 5.19 | 2.56 |
| 3" X 2-1/2" | 2.59 | 5.19 | 2.59 |
| 4" X 1/2" | 3.44 | 6.88 | 3.63 |
| 4" X 3/4" | 3.44 | 6.88 | 3.63 |
| 4" X 1" | 3.44 | 6.87 | 2.62 |
| 4" X 1-1/2" | 3.44 | 6.87 | 2.91 |
| 4" X 2" | 3.44 | 6.87 | 3.06 |
| 4" X 2-1/2" | 3.44 | 6.87 | 3.09 |
| 4" X 3" | 3.44 | 6.87 | 3.09 |
| 6" X 1-1/2" | 5.62 | 11.25 | 3.91 |
| 6" X 2" | 5.62 | 11.25 | 4.50 |
| 6" X 2-1/2" | 5.62 | 11.25 | 4.09 |
| 6" X 3" | 5.62 | 11.25 | 4.87 |
| 6" X 4" | 5.62 | 11.25 | 5.12 |
| 8" X 2" | 7.00 | 14.00 | 6.12 |
| 8" X 3" | 7.00 | 14.00 | 6.12 |
| 8" X 4" | 7.00 | 14.00 | 6.12 |
| 8" X 6" | 7.00 | 14.00 | 6.62 |
| 10" X 8" | 8.50 | 17.00 | 8.50 |
| 12" X 10" | 10.00 | 20.00 | 10.00 |
Manuals
Manuals
No manual available for download.

