Description
Description
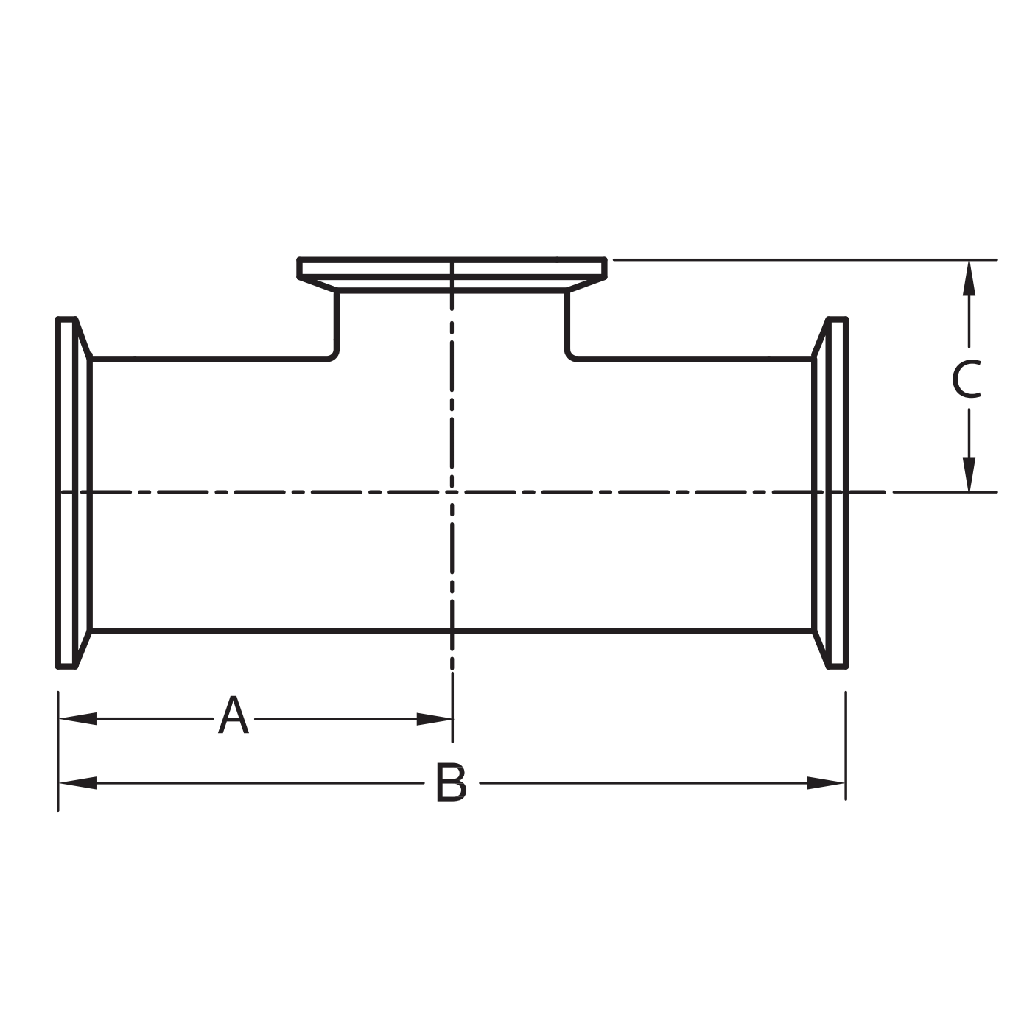
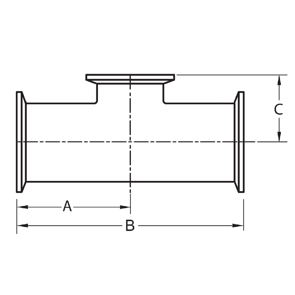
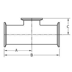
The 7MPS Tri-Clamp Short Outlet Tee is a sanitary fitting with a shortened tee creating less dead space when attaching instruments to a production line and making it easier to fully CIP. The short outlet tee is made of 316L stainless steel and is 3A certified.
| Tube O.D. | A | B | C |
| 1" | 2.37 | 4.75 | 1.13 |
| 1-1/2" | 2.75 | 5.50 | 1.38 |
| 2" | 3.50 | 7.00 | 1.63 |
| 2-1/2" | 3.50 | 7.00 | 1.88 |
| 3" | 3.75 | 7.50 | 2.13 |
| 4" | 4.50 | 9.00 | 2.75 |
Manuals
Manuals
No manual available for download.

