Description
Description
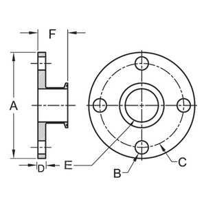
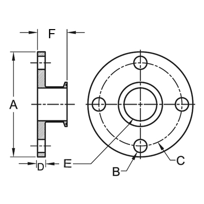
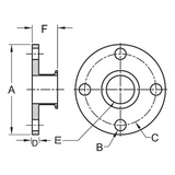
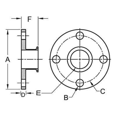
The 38MP Flange X Tri-Clamp Adapter is stainless-steel fitting that creates a secure hygienic connection between industrial piping and sanitary processing equipment. One end of this adapter is a standard ANSI flange and the other is a Tri-Clamp connection. This adapter does not require welding, making it easy to install and clean.
38MP Flange X Tri-Clamp Adapter Technical Specifications
- Material: 316L Stainless Steel
- 150# Bolt Pattern
- Surface Finish: Machined to 32Ra
- Specification: ASTM A182
38MP Flange X Tri-Clamp Adapter Measurements
| Tube O.D. | A | Bolt Hole (B) | Bolt Circle (C) | D | F | ID Bore (E) | # Bolt Holes |
| 1" | 4.25 | 0.62 | 3.12 | 0.38 | 1.62 | 0.87 | 4 |
| 1-1/2" | 5.00 | 0.62 | 3.87 | 0.38 | 1.62 | 1.37 | 4 |
| 2" | 6.00 | 0.75 | 4.75 | 0.50 | 1.75 | 1.87 | 4 |
| 2-1/2" | 7.00 | 0.75 | 5.50 | 0.50 | 1.75 | 2.37 | 4 |
| 3" | 7.50 | 0.75 | 6.00 | 0.50 | 1.75 | 2.87 | 4 |
| 4" | 9.00 | 0.75 | 7.50 | 0.50 | 1.75 | 3.83 | 8 |
| 6" | 11.00 | 0.87 | 9.50 | 0.50 | 2.19 | 5.78 | 8 |
Manuals
Manuals
No manual available for download.

