Proudly Canadian owned and operated from Vancouver, BC.

We ship with FedEx across the USA and Canada

23BMP - Tri-Clamp Thermometer Cap

(0) • No Reviews
$16.94
SKU: FI/23BMP-.50/.75X.-4
Tri-Clamp Size
Thread Size
Material

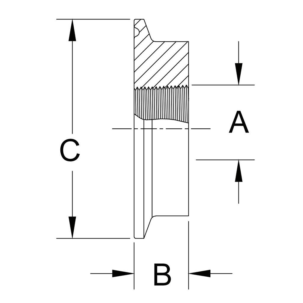
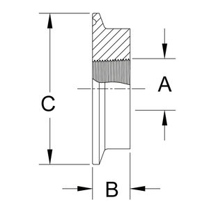
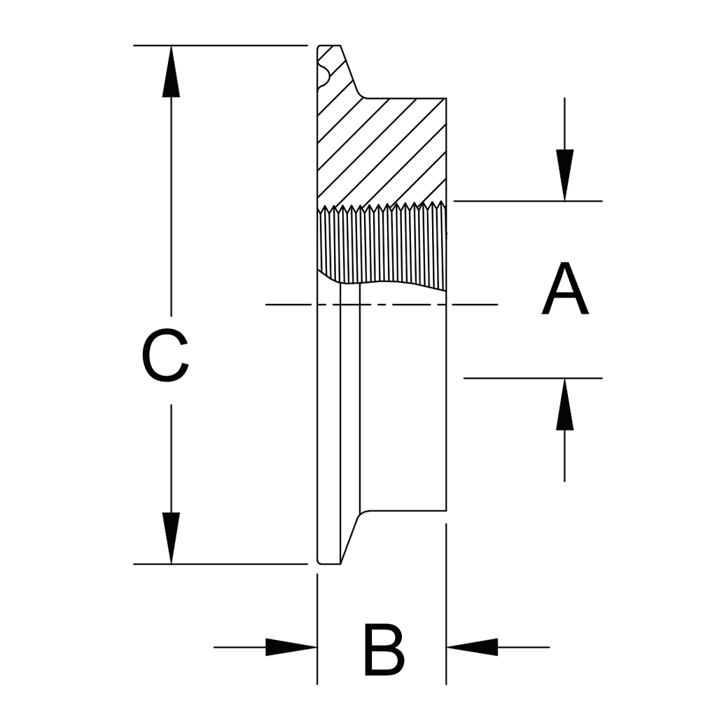
The 23 BMP Tri-Clamp Thermometer Cap is a sanitary fitting used to connect instrumentation to your Tri-Clamp ferrules. They are constructed of either 304 or 316L stainless steel and come in a variety of sizes. The Tri-Clamp connection size (Tube O.D.) is available from 1/2" up to 4". The thread size (inner diameter) ranges from 1/4" to 3/4".

Description

The 23 BMP Tri-Clamp Thermometer Cap is a sanitary fitting used to connect instrumentation to your Tri-Clamp ferrules. They are constructed of either 304 or 316L stainless steel and come in a variety of sizes. The Tri-Clamp connection size (Tube O.D.) is available from 1/2" up to 4". The thread size (inner diameter) ranges from 1/4" to 3/4".

They are designed for use in the food and beverage processing industries.

Tube O.D. A B
1/2" & 3/4" 1/4" 0.50 0.93
1" & 1-1/2"
1/4"
1/2"
3/8"
1/2"
3/4"
0.62
0.62
0.62
0.62
0.62
1.98 
1.98
1.98
1.98
1.98
2" 3/4" 0.62 2.52
2-1/2" 3/4" 0.62 3.05
3" 3/4"  0.62
3.58
4" 3/4" 0.62 4.68

Manuals

No manual available for download.

Reviews (0)

Customer Reviews

Be the first to write a review
0%
(0)
0%
(0)
0%
(0)
0%
(0)
0%
(0)