Description
Description
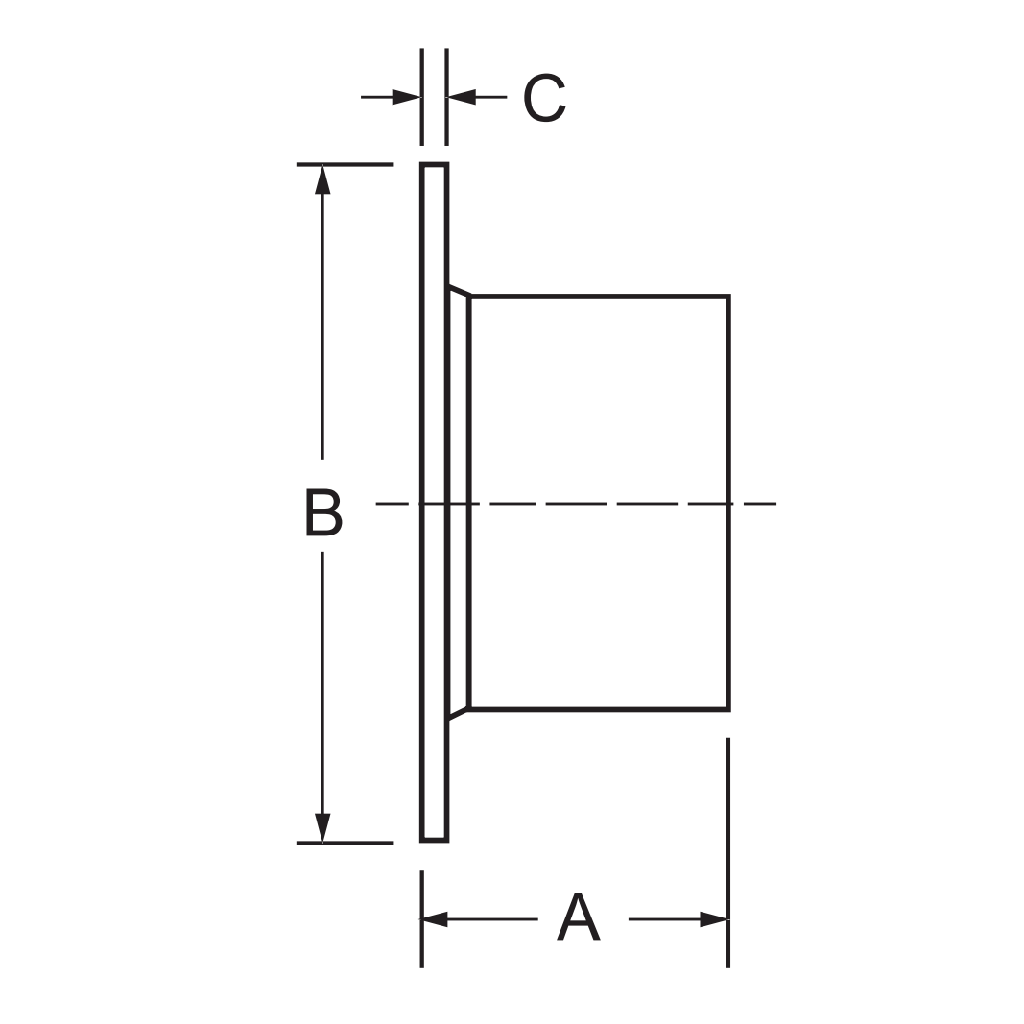
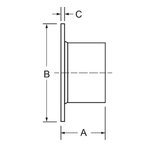
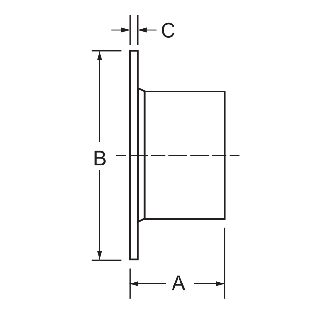
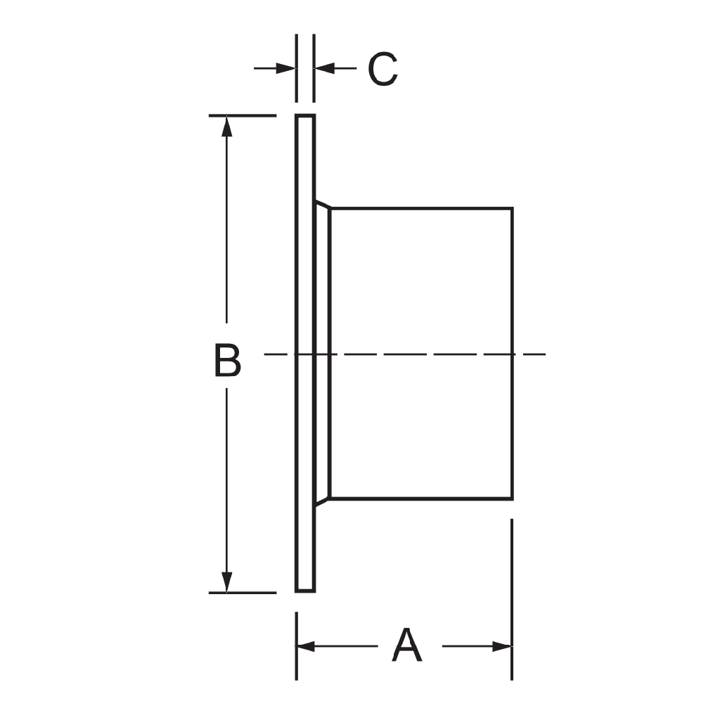
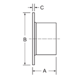
The 14VB Type A Stub End is a sanitary fitting that pairs with the 38SL Slip-On Tube Flange to create an adjustable flange connection. The type A stub end is butt welded on to OD stainless steel tubing, creating a secure and hygienic connection. This allows the slip on flange to be rotated and adjusted to the correct position for a more flexible installation.
14VB Type A Stub End Technical Specifications
- Material: 316L Stainless Steel
- Compatible with 38SL Tube Flanges
- Surface Finish: Machined to 32Ra
- Specification: ASTM A182
14VB Type A Stub End Measurements
| Tube O.D. | A | B | C |
| 1/2" | 2.00 | 1.50 | 0.13 |
| 3/4" | 2.00 | 1.50 | 0.13 |
| 1" | 1.62 | 2.00 | 0.13 |
| 1-1/2" | 1.75 | 2.87 | 0.13 |
| 2" | 1.50 | 3.62 | 0.13 |
| 2-1/2" | 2.00 | 4.12 | 0.13 |
| 3" | 2.25 | 5.00 | 0.17 |
| 4" | 2.62 | 6.19 | 0.17 |
| 6" | 3.00 | 8.50 | 0.22 |
| 8" | 3.00 | 10.62 | 0.23 |
| 10" | 3.50 | 12.75 | 0.28 |
| 12" | 3.00 | 15.00 | 0.28 |
Manuals
Manuals
No manual available for download.

