Description
Description
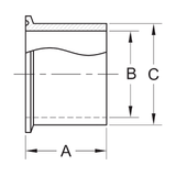
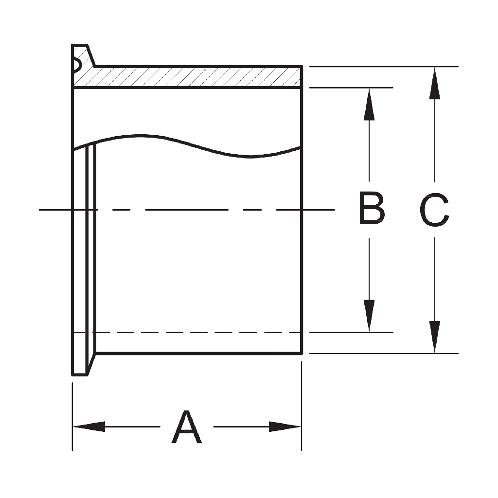
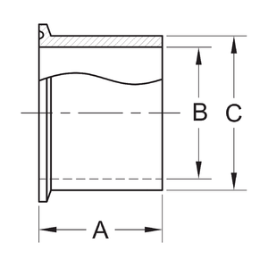
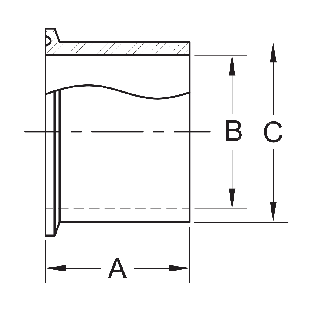
The 14MPW Tri-Clamp Heavy Duty Tank Ferrule features a thicker wall allowing it to withstand heavier loads. The tank ferrule is designed to make connections between Tri-Clamp and butt-weld ends. This sanitary fitting is 3A certified and is available in 316L or 304 Stainless steel.
| Tube O.D. | A | B | C |
| 1/2" | 1.62 | 0.32 | 0.50 |
| 3/4" | 1.62 | 0.57 | 0.75 |
| 1" | 1.62 | 0.87 | 1.16 |
| 1-1/2" | 1.62 | 1.37 | 1.68 |
| 2" | 1.75 | 1.87 | 2.19 |
| 2-1/2" | 1.75 | 2.37 | 2.71 |
| 3" | 1.81 | 2.87 | 3.22 |
| 4" | 2.12 | 3.83 | 4.26 |
| 6" | 2.50 | 5.76 | 6.19 |
| 8" | 2.50 | 7.76 | 8.19 |
Manuals
Manuals
No manual available for download.

