Description
Description
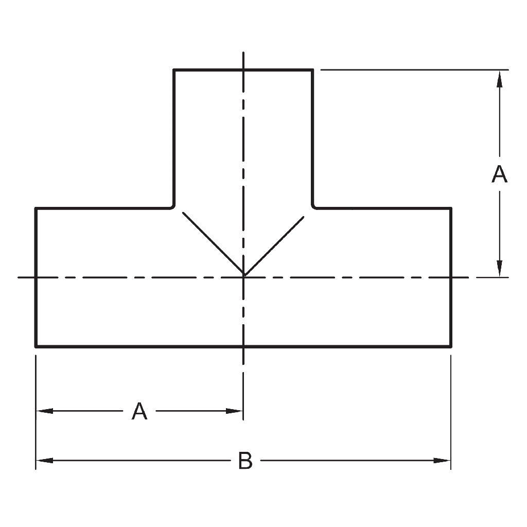
The 7W Butt-Weld Long Tee is a 3A certified sanitary fitting designed to be welded into permanent piping systems to connect tubing. This tee has extended branches, which can reduce the amount of fittings needed. The 7W is constructed of 304 or 316L stainless steel and is polished to 32Ra ID/OD.
This fitting is available in other sizes upon special request, please contact our sales team with any inquiries.
| Tube O.D. | A | B |
|
1/2" |
1.87 | 3.75 |
|
3/4" |
2.00 | 4.00 |
|
1" |
1.87 | 3.75 |
|
1-1/2" |
2.25 | 4.50 |
|
2" |
3.00 | 6.00 |
|
2-1/2" |
3.00 | 6.00 |
|
3" |
3.25 | 6.50 |
|
4" |
3.87 | 7.75 |
|
5" |
5.22 | 10.43 |
|
6" |
5.62 | 11.25 |
|
8" |
7.00 | 14.00 |
|
10" |
8.50 | 17.00 |
|
12" |
10.00 | 20.00 |
Manuals
Manuals
No manual available for download.

